IV Tier

From the IV tier onward, the difficulty ramps up sharply. This is the point where players must face the Platinum Processing Line, a bottleneck where many quit. This tier also introduces many multiblock machines, so the whole base needed to be reworked.
Power Generation
Generators
Originally, the base was powered by cetane-boosted diesel, but crop production could not scale as easily as benzene. Currently, a Large Gas Turbine handles normal loads, while the LCE is switched on when extra power is needed.

Benzene Production
- 11×11 EnderIO Tree Farm
- Coke Oven → Fluid Extractor → 3× Distillation Towers
- Output: 1,200 L/s benzene (HSS-E Tight LGT burns 260 L/s)


Ore Processing
Upgraded to multiblock machines and fully automated with AE2, based on Ore Processing Concepts - GT New Horizons.

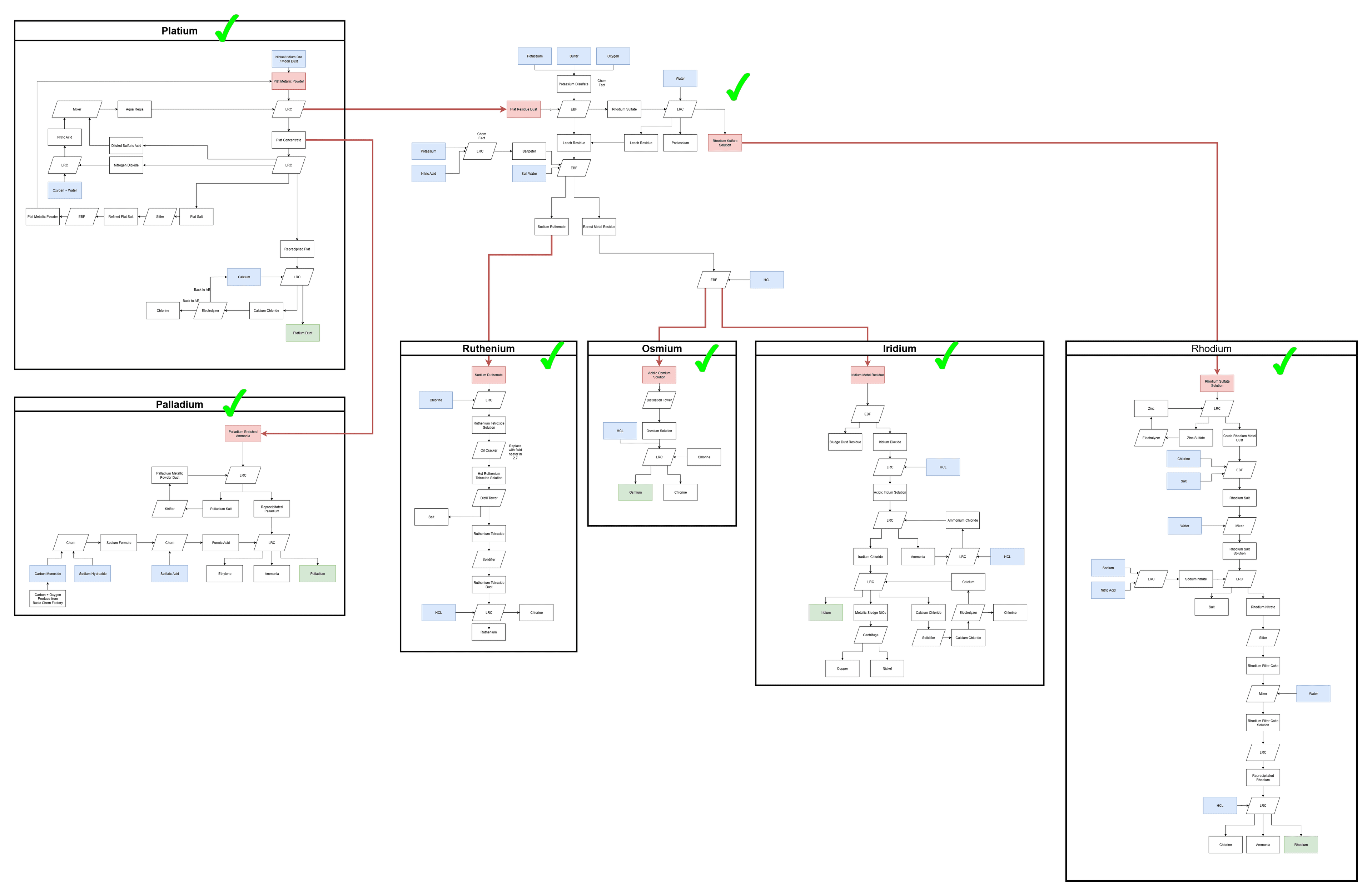
Platinum Line
An entire floor of the TSMC building is dedicated to Platinum Line processing.

Platinum & Separation

Palladium

Osmium

Iridium

Polybenzimidazole (PBI)
Using a relatively simple chemical process, I made polybenzimidazole, a material essential for space exploration. I didn't make a whole production chain for it, just a on-demand AE auto-crafting to get things started.

Tier-3 Rocket and Ceres
Tier 3 space exploration takes 3 things:
- Rocket
- Fuel
- Thermal Clothing
The tier 3 rocket is just a bunch of desh and titanium, which is quite simple at this point.

The tier 3 rocket fuel "Dense Hydrazine Fuel"'s ingredient is also simple. However processing it takes a Tier-5 chemical plant, which took out my whole titanium stock.

The new thermal clothing requires PBI to make, which we have done in advance.

Finally, I landed on Ceres and obtained Naquada to progress.

New Cleanroom and Quantum circuits
To make the new circuit, I set up a new cleanroom for proper AE automation and scaled things up a bit.

Assemblyline
The assembly casing is stupidly expensive, each costs 6 most advanced circuits at IV and takes hours to craft.

While most of it is still crafting, I craft the controller block and it grant me a trophy and access to Luv Quest.

Buildings
After watching a video on architecture, I decided to rebuild the “04” (The Fourth Industrial Center).
Concept
I drew inspiration from the Seagram Building, the “mother of all modern buildings” and a classic example of Less is More. No unnecessary decoration, just structure and materials.
Original “04”

New “04”

Seagram Building
P.S. The new “04” was built in Creative mode to push myself toward better design, otherwise, I’d remain a high-tech caveman.
Ref: 現代建築通識5:密斯封神,西格拉姆大廈。如果只能存在一棟現代建築,我相信只會是她。 | 大鳥俠BigBirdXia - YouTube




